onequal

onequal

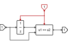
Diagram Context expand