SS-V: 5010 Z-Shaped Cantilever
Test No. VNL02 Find vertical dsiplacements of a Z-shaped cantilever beam under transverse loads of varying magnitude.
Definition
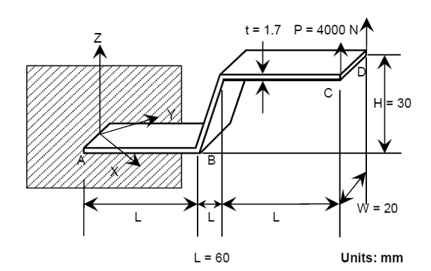
A Z-shaped cantilever is under action of a transverse load of max 4000 N (Figure 1).Figure 1.


The load is conservative and its direction does not change while the cantilever deforms.
The material properties are:
- Properties
- Value
- Modulus of Elasticity
- 2.e+11 pa
- Poisson's Ratio
- 0.3
Results
The following table contains values of vertical
displacement Uz for different loads in mm.
| Load [N] | SOL Reference * | SimSolid | % Difference |
|---|---|---|---|
| 300 | 113.0 | 113.3 | 0.24% |
| 500 | 124.1 | 122.1 | -1.58% |
| 1000 | 131.0 | 133.3 | 1.78% |
| 2500 | 139.5 | 143.4 | 2.82% |
| 4000 | 144.0 | 144.8 | 0.53% |
* SOL Reference is a thin shell model
1 A.A. Becker, Background
to Finite Element Analysis of Geometric Non-linearity Benchmarks, Published by
NAFEMS, Ref:-R0065, pg. 61 Page 66