SPICEモデリング
SPICEアプリケーション、Spiceカスタムブロック、およびSpiceライブラリを使用したモデリングについて学習します。
- SPICEアナログアプリケーション
-
SPICE(Simulation Program with Integrated Circuit Emphasis)は、電子回路の設計およびシミュレーション用の汎用オープンソースアナログアプリケーションです。
電子回路設計に関連するすべてのコンポーネント、節点、接続の動作のモデル化と予測を行うため、Twin ActivateはSPICE言語をサポートします。SPICE形式のテキスト表現により、制限なしで容易に共有できる電子回路を定義できます。
- Twin Activate Spice環境の有効化
- Twin ActivateとSPICEを組み合わせれば、混在システム設計の電子回路をシミュレートする環境が実現します。Twin Activateは、モデル内でSPICEコンポーネントを、SPICEネットリストと高性能の電子回路ソルバーを介して処理します。ソルバーは、SPICE言語に基づいており、直流モード、過渡モード、交流モードでの電子回路のシミュレーションに特化されています。また、ソルバーに設定しますには、BSIMシリーズのMOSモデルを扱うBerkeleyデバイスモデルへのインターフェースが用意されています。
Spiceカスタムブロック
SpiceCustomBlockを使用して電子コンポーネントを定義します。
-
パレットブラウザでの順に選択します。このブロックをダイアグラムにドラッグして、ダブルクリックします。
ブロックのダイアログが開き、パラメータ、レポート、高度な機能の各タブが表示されます。
-
パラメータータブで、エディターボタンを選択します。

-
次のいずれかの手順でネットリストのコードを入力します:
- エディターにネットリストを入力するか、既存のネットリストファイルからコピー&ペーストします。
- ネットリストを自分で入力したいが、SPICEに慣れていない場合、
ボタンをクリックすると、ソフトウェアが基本的なコードフレームワークを生成します。エディターボタン
をクリックすると、必要に応じてコードを表示、修正することができます。
-
パラメータタブで、ブロックに必要な電圧入出力と電流出力に関する情報を入力します。
電圧出力ポートをリストで入力するか、ダイアログから選択します。
- OKをクリックします。
Spiceライブラリを使用した電子部品の作成
Spiceライブラリには、Twin Activateで電子システムおよびマイクロ電子システムをモデリングするためのブロックが用意されています。
このライブラリは、電子回路設計やシステム設計の業務向けに設計されており、Altair Spiceソルバーを活用しています。このライブラリにアクセスするには、の順に選択します。

このライブラリには多彩なブロックが用意されています。そのブロックとして、回路の励振と電源を定義する電圧源と電流源、線形部品と半導体部品、Spiceのコンポーネントと他のTwin Activateブロックを接続するためのインターフェースなどがあります。


電子システムの簡単なダイアグラムの作成
Twin Activateで電子システムをモデリングする場合は、Spiceライブラリにある2種類のブロックが必要です。そのブロックとは、基本的なSPICEコンポーネントを収めた基本ブロックと、電子回路と他のTwin Activateブロックを接続するコネクターを収めたインターフェースブロックです。
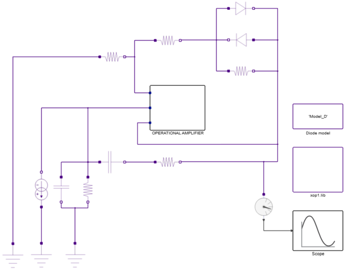
Twin ActivateブロックとSpiceブロックを結合すると、必要に応じて適切なインターフェースブロックが自動的に挿入されます。次の例は、インターフェースブロックを介してScopeブロックに接続した電子システムのモデルです。
Spiceライブラリのコンポーネントは、デバイスの実際の物理値を設定するためにパラメータで記述できます。詳細については、個々のSpiceブロックでF1キーによるヘルプをご参照ください。