SS-V: 5010 Z-Shaped Cantilever

Test No. VNL02 Find vertical dsiplacements of a Z-shaped cantilever beam under transverse loads of varying magnitude.

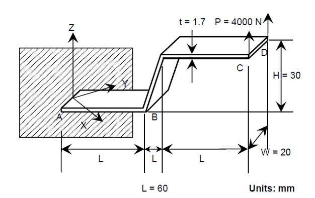
Definition

A Z-shaped cantilever is under action of a transverse load of max 4000 N (Figure 1).
Figure 1.


The load is conservative and its direction does not change while the cantilever deforms.

The material properties are:
Properties
Value
Modulus of Elasticity
2.e+11 pa
Poisson's Ratio
0.3

Results

The following table contains values of vertical displacement Uz for different loads in mm.
Load [N] SOL Reference * SimSolid % Difference
300 113.0 113.3 0.24%
500 124.1 122.1 -1.58%
1000 131.0 133.3 1.78%
2500 139.5 143.4 2.82%
4000 144.0 144.8 0.53%

* SOL Reference is a thin shell model

1 A.A. Becker, Background to Finite Element Analysis of Geometric Non-linearity Benchmarks, Published by NAFEMS, Ref:-R0065, pg. 61 Page 66