SPMモーターのFlux 2Dとの連成シミュレーション
チュートリアルレベル:上級表面磁石型(SPM)モーターのFlux 2Dモデルに三相ブリッジ電流を供給するTwin Activateモデルを作成して、これらのモデルを連成シミュレートします。
この連成シミュレーションプロセスは、次の4つの基本的なステップで構成されています:
- Fluxモデルを作成します。このチュートリアルでは、SPMモーターのFluxモデルが用意されています。
- Twin ActivateでFluxモデルデータを読み込むために必要なFlux連成コンポーネントを生成します。
- Twin Activateモデルを作成して、Flux連成コンポーネントを読み込むためのFluxブロックを追加します。
- Twin Activateでこれらのモデルの連成シミュレーションを実行します。
このチュートリアルのファイル
SPM_Activate_Regulation.F2STA (the coupling file exported from Flux), SPM_Activate_RegulationF2STA.FLU (the Flux model file), SPM_Regulation_No_load.scm (the Twin Activate model file)
SPMモーターの概要
このFluxモデルは、電気自動車で利用できるブラシレスAC表面磁石型モーターです。
- ヨーク、スロット、巻線で構成する固定部(固定子)
- 空隙
- 埋込磁石で構成する可動ローター
このSPMモーターは三相ブリッジ電流で駆動されます(フリーホイーリングダイオードは省略しています)。インバーターの駆動回路によるモーターの1000 rpm定速回転をシミュレートして、モーターのトルク、速度、位置、相電流を得ます。インバーターの切り替え方式は、ローターの位置によって決まります。
このSPMモーターの入力は複合領域のパラメータで定義されており、以下の各要素で構成されています。
- I1:物理量: μr、Bs、Br
- I2:電気量:抵抗、電圧、電流
- I3:力学量:位置、速度、抵抗力、抵抗トルク
このSPMモーターの出力は、センサー、数式(荷重と結合)、およびパラメーター(位置、速度、加速度)を通じて値を取得するスカラー入出力設定です。
Fluxでの連成コンポーネントの生成
Fluxモデルを読み込んで、必要な入力、出力、およびパラメーターを設定した連成コンポーネントを生成します。
-
Fluxを起動して、作業ディレクトリからSPM_Activate_Regulation.F2STAプロジェクトを開きます。
モデルが読み込まれて、次の図のように表示されます。
図 2. SPMモーターの断面図
- Flux 2Dのツールバーから、を選択します。
-
ダイアログで、該当のコンポーネントに関する次の情報を入力します:
- コンポーネントの名前を入力します:SPM_Activate_Regulation
- 作業ディレクトリのパスを入力します:<name_without_spaces>
- コンポーネントに対する入力(形状入出力パラメーター)を選択します:R1, R2, R3, R4, R5, R6
- 出力を選択します::PHASE_CURRENT_1, PHASE_CURRENT_2, PHASE_CURRENT_3, POSITION, SPEEDおよびTORQUE。
ダイアログの内容は次の図のようになります:
-
OKをクリックします。
連成コンポーネントが SPM_Activate_Regulation.F2STAという名前で作業ディレクトリに保存されます。
Twin Activateモデルの作成
三相ブリッジ回路から給電するモデルを作成します。
-
Twin Activateで、新しいモデルを作成して、SPM_Regulation_No_load.scmとして作業ディレクトリに保存します。
または、モデル:<installation_directory>/Tutorial Models/Flux_SPM/SPM_Regulation_No_load.scmを読み込んで、このセクションのチュートリアルをスキップします。
- パレットブラウザで、を選択してFluxブロックをダイアグラムにドラッグ&ドロップします。
- Fluxブロックをダブルクリックして、ブロックダイアログのFluxからActivateへの入力ファイル名(Flux to Activate input filename)に、Fluxから生成した連成コンポーネントのパスを入力します:<working_directory>/SPM_Activate_Regulation.F2STA
-
OKをクリックします。
Fluxブロックに、Flux連成コンポーネントのモデルデータが入力されます。
-
Fluxブロックダイアログで、次の操作を実行します:
- 数値メモリ·(MB)(Numeric memory (MB))に2154と入力します。
- 文字メモリ·(MB)·(Character memory (MB))に200と入力します。
- Flux計算実行のための最小入力変化率·(%)(Minimal·input·variation·(%)·to·run·Flux·computations)に0と入力します。
- 次のオプションを選択します:Flux console displayとBreak algebraic loop。
-
OKをクリックします。
Fluxブロックダイアログは次の図のようになります:
-
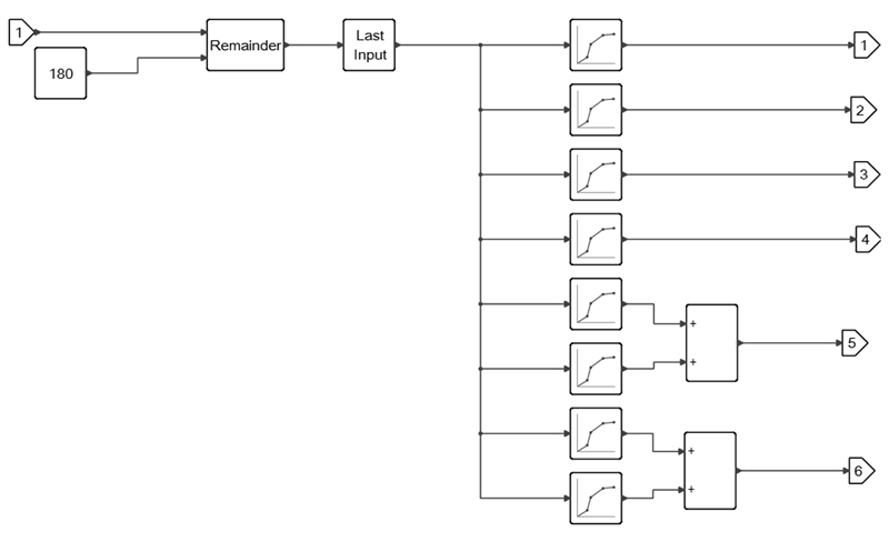
ダイアグラムで、Fluxブロックの左側に位置調整用のスーパーブロックを作成します。
表 1. Positionスーパーブロックに必要なブロック スーパーブロックに追加するブロック 入力するパラメータ値または表示されたデフォルト値での維持 Constantブロック デフォルト値 Moduloブロック 関数(Function)= Remainder Inputブロック 注: このInputブロック(ローター位置)はModuloブロックに供給されます。出力ポートサイズ(Outport size)=[-1;-2] LastInputブロック デフォルト値 2つのSumブロック デフォルト値 8つのLookupTableブロック - 8つのLookupTableブロックすべてで、次のように設定します:
Y=[1,1]
補間法(Interpolation method)= ZeroOrder (ceiling)
出力データ型(Output datatype) = "double"
- X ベクトルを以下のように設定します。
block 1, X = [15,75]
block 2, X = [45,105]
block 3, X = [75,135]
block 4, X = [105,165]
block 5, X = [0,15]
block 6, X = [135,180]
block 7, X = [0,45]
block 8, X = [165,180]
2つのSumブロック デフォルト値 6つのOutputブロック 注: これらのOutputブロックは、メインダイアグラムでFluxブロックにある6つの入力ポート”R1”~”R6”に対応しています。デフォルト値 Scope デフォルト値 スーパーブロックでこれらのブロックを次のように組み立てます:図 3. Positionスーパーブロック 
- 8つのLookupTableブロックすべてで、次のように設定します:
-
ダイアグラムで、3つのScopeブロックをFluxブロックの右側に追加します。これらのScopeブロックによって、各相の電流(A)、位置と速度、およびトルクの結果がプロットされます。
ブロック Scope 1 Scope 2 Scope 3 ブロック名 2_1_2 2_1_2_1 2_1_2_1_1 入力数(Number of inputs) 3 2 1 -
これらのFlux連成シミュレーションブロック、スーパーブロック、およびScopeブロックを次の図のように組み立てて接続してから、モデルを保存します。
図 4. 入力と出力を使用して組み立てたFluxブロック
Twin Activateモデルが完成し、SPMモーターのFluxモデルに三相ブリッジ回路から電源を供給するように構成されています。このTwin Activateモデルは、位相電流、位置、速度、トルクも計算するように構成されています。
Twin ActivateとFluxモデルの連成シミュレーション
連成シミュレーション時に、Twin ActivateモデルからSPMモーターのFluxモデルに三相ブリッジ電流が供給されます。シミュレーション結果には、SPMモーターの性能が示されます(位置、速度、トルクなど)。
-
リボンで設定(Setup)を選択します。

- 表示されたダイアログでシミュレーション時間(Simulation Time)タブを選択します。
- 最終時間に、信号の周期である.01499を入力します。残りの欄はデフォルトのままにします。
-
ソルバー(Solvers)タブを選択し、次の値を入力してOKをクリックします:

-
リボンで実行を選択します。

シミュレーション結果には、モーターに供給される電流とモーターの性能が示されます。表 2. 一定速度(N=1000 rpm)の無負荷試験 特性 値 単位 慣性モーメント 0 Kg.m2 定摩擦係数 0 N.m 粘性摩擦係数 0 N.m s/deg 速度の二乗に比例する摩擦係数 0 スピード 1000 Tr/min 時間0における位置 0 度 図 5. 各相の電流(A) 
図 6. 位置(deg/s)と速度(rpm)
図 7. トルク(N.m)