PanopticonでのMQTTデータの処理と可視化

チュートリアルレベル:中級Panopticonを使用し、MQTT (Message Queuing Telemetry Transport) プロトコルを使用してTwin Activateから送信されたデータを処理し、可視化します。

重要: Available only with Twin Activate commercial edition.

このチュートリアルの前提条件

このチュートリアルには以下のソフトウェアが必要です:

  • Altair Twin Activate
  • Altair Panopticon

このチュートリアルのファイル

MQTT Pub Panopticon.scmTutorial Dashboard TwinActivate.exw

チュートリアルで構築するモデルの完成版と、チュートリアルを完了するために必要なすべてのファイルは、デモブラウザ:Tutorial Models > Integration and Collaboration > Process and visualize MQTT data with Panopticonから入手できます。または、以下の場所から入手できます:<installation_directory>/Tutorial Models/Integration and Collaboration/Process and visualize MQTT data with Panopticon

概要

Twin Activateの通信プロトコルのオプションの1つは、IoT(モノのインターネット)で使用される有名な通信プロトコルであるMQTTです。ローカル、外部を問わず、あらゆるMQTTブローカーへのパブリッシュとサブスクライブの両方を、迅速かつ軽快に行うことができます。

トピックにメッセージを公開する際、Twin Activateはソフトウェアから MQTTブローカーにデータを送信します。 Panopticonは包括的なデータ可視化およびストリーミング分析ツールで、そのブローカーにサブスクライブし、データを処理し、リアルタイムで可視化するクライアントです:

数ある機能の中でも、Panopticonは、SQLやNoSQL データベース、ビッグデータリポジトリ、フラットファイル、MQTTやKafkaなどのリアルタイムメッセージキュー、特殊な時系列データベースなど、あらゆる一般的なデータソース用のネイティブコネクターをサポートしており、コーディングやミドルウェアは不要です。

また、Panopticonは、複雑なデータを直感的に理解できるように設計された、密度の濃い幅広い情報を可視化して提供します。詳細については、https://altair.com/panopticonを参照してください。

Panopticonでの一般的なMQTTセットアップ

Panopticonをインストールし、ウェブからアクセスした後、データを受信して処理するために MQTT コネクターを設定する新しいワークブックを作成する必要があります:

  1. Panopticonメインページで、New Workbookをクリックし、名前を入力してCreateをクリックします。
  2. ワークブックを作成した後、Templateを選択します。
  3. Workbook Data Table Editorを開きます。
  4. +アイコンをクリックして、新しいデータテーブルを追加します。
  5. データテーブルを追加したら、開くページからStreaming > MQTTを選択します。
  6. Topic名に、(ここでは)topic1を入力します。

MQTTトピックへのパブリッシュとPanopticonでのデータの可視化

このチュートリアルでは、標準的なTwin Activateデモを使用しますが、他のどのダイアグラムでも同じように処理できます。この場合、データはTwin Activateから Localhostに送信され、PanopticonはMQTT Connectorを使用してそのデータを視覚化します。

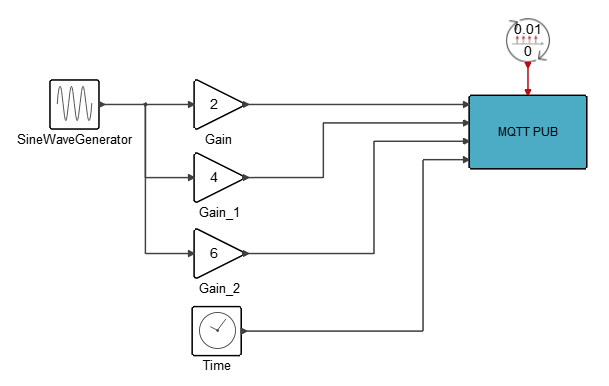
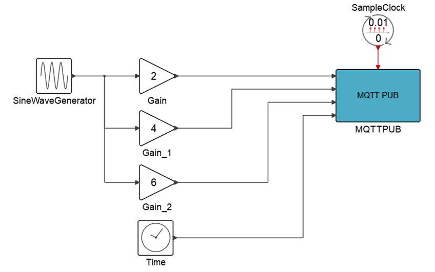
  1. Twin Activateで、パレットブラウザ > Communicate > MQTT PUBを選択します。
  2. ブロックのConnectionタブを開きます。Hostname欄とTopic欄を設定します:
  3. Parametersタブを開きます。Number of Inputs(この場合は)3Messageを入力します。Panopticonにデータを送信するには、JavaScript Object Notation(JSON)形式を使用する必要があります:
    {
        "var": {
          "X": "%%1",
          "Y": "%%2",
          "Z": "%%3",
    	"time": "%%4"
        }
    }
  4. MQTT PUBブロックのセットアップを行った後、Signal Generatorsブロックのいくつかを入力に接続し、それぞれにGainを設定し、SampleClockを接続してブロックをアクティブにします:
  5. シミュレーション > > 設定を開き、リアルタイムスケーリング1に設定します。シミュレーションはlocalhostにリアルタイムでデータを送信します。
  6. 実行をクリックします。
  7. Twin Activateシミュレーションの実行中に、Panopticonにアクセスし、Generate Columnsを選択します。
    注: Twin Activateが実行されておらず、データを送信していない場合、列の生成を選択するとエラーが発生します。
  8. Panopticonでは、列を生成した後、これらのパラメータが自動的に表示されます:
  9. このチュートリアルでは、Panopticonでプロットする時間として使用するために、時間変数を Twin Activateから意図的に送信しています。TypeをTimeに、Date FormatをSecondsに変更します。
  10. データテーブルエディターで、時系列の解析を有効にします。Transform settingsを開きます。Transform to enable time series analysisを有効にし、var.timeを 選択して時間軸を定義します:
  11. すべての変更を保存し、Backをクリックしてワークブックのページに戻ります。
  12. 特定のエリアを長押しします:
  13. X-Axis Graphを選択します。
  14. X、Y、Z 変数をYオプションにドラッグ&ドロップします。
  15. Viewを選択し、Twin Activateから再びデータ送信し、データをリアルタイムで視覚化します。

    メインページ内のTutorial Dashboard TwinActivate.exwファイルを使用して、このダッシュボードの完成版をインポートすることができます。

    Panopticon は、カスタマイズされたダッシュボードを作成するためのいくつかの利用可能なオプションを持つツールであり、そのためのチュートリアルがあります。これは、両方のツールを一緒に使い始める方法を学習するものです。