ギターアンプ信号のシミュレーション
チュートリアルレベル:中級回路ブロックを定義し、ギターアンプの過渡解析と周波数領域解析を実行する方法について説明します。
重要: Available only with Twin Activate commercial edition.
このチュートリアルのファイル
opamp_model.scm、opamp_model_AC.scm、opamp.cir、OPAMP1.svg
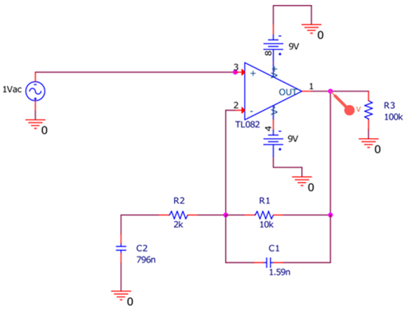
ギターアンプ問題の概要
以下は、ギターアンプに関する問題です(https://fais-tes-effets-guitare.com/conception-dune-pedale-boost-a-ampli-op/によるご提供)。


このチュートリアルでは、Twin Activate内で以下の条件を指定して内部で過渡シミュレーションとACシミュレーションの両方を実行することにより、増幅の問題に対処する方法を紹介します。
- 回路モデル:opamp_model.scm
- 回路モデル:opamp_model_AC.scm
- Spice ライブラリ:opamp
オペアンプのSpiceライブラリには、回路モデルで使用する以下のブロック定義と回路図が含まれています。
Opamp.cir:* .SUBCKT OPAMP1 1 2 6 * @ACTPO: 3 * INPUT IMPEDANCE RIN 1 2 10MEG * GAIN BW PRODUCT = 10MHZ * DC GAIN (100K) AND POLE 1 (100HZ) EGAIN 3 0 1 2 100K RP1 3 4 1K CP1 4 0 1.5915UF * OUTPUT BUFFER AND RESISTANCE EBUFFER 5 0 4 0 1 ROUT 5 6 10 .ENDSOPAMP1.svg:
Opampブロックのインポート
-
<installation_directory>/Tutorial Models/amplifierを作業ディレクトリにコピーします。
-
OMLコマンドウィンドウに、vssImportSpiceLibraryコマンド、opampフォルダーへのパス、インポートコマンドがライブラリ用のファイルを生成するために使用する指定フォルダーへのパスを入力します。
vssImportSpiceLibrary('<working_directory>/opamp/', 'c:/temp')
OPAMP1ブロックを持つ新規パレットが作成されます。
アンプモデルを開く
を選択します。
インポートしたOPAMP1ブロックとともにモデルが開きます。
過渡解析実行
-
シミュレーションの設定は、デフォルトのままにします。
-
リボンでRunを選択します。

-
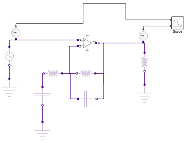
Scopeブロックを選択し、結果を表示します。
Scopeは、アンプの入力と出力が表示します。
-
抵抗やコンデンサなどのコンポーネントのパラメータ値を変更し試します。
-
もう一度シミュレーションを行い、入出力の変化を確認します。

周波数解析のセットアップ
- を選択します。
-
SuperBlockをダブルクリックします。
SuperBlockは過渡現象モデルopamp_model.scmと同じ回路図ですが、電位センサーと出力が追加されています。
-
VoltageSinブロックを選択します。
これは、交流解析開始時に回路に小信号源を供給するブロックです。
-
ACタブとUse ACオプションを選択します。
パラメーターを確認し、デフォルト値のままにしておきます。

-
Spice AC Analysisブロックをダブルクリックします。
AC Analysisブロックには、ACシミュレーションを実行するためのパラメータとコントロールが含まれています。
注: AC Analysisブロックはパレットにあります。 -
AC解析のセットアップを確認します。
AC解析パラメータ 説明 ブロック名 SuperBlockを入力します。AC解析のためのSpice回路を定義する場所を指定するブロックです。 周波数方式 周波数の範囲を10のべき乗で定義するDECを選択します。 周波数範囲 入力: - 最小周波数 = 10Hz
- 最大周波数 = 10000 kHz
- 10サイクルごとの計算対象点数 = 1000。
結果とプロット 入力: - 周波数スケール = 対数
- 振幅スケール = リニア
- 位相結果 = 度数
AC解析 入力: - 時間 = 0における解析
作成された設定は以下のようになります。
-
実行ボタンをクリックします。
シミュレーションは、Spice AC Analysisブロックから直接実行されます。
周波数解析結果のレビュー
-
アンプ信号の周波数特性を確認します。
モデル内のScopeブロックは、アンプ信号の電位センサーの値と位相を示します。
-
コンポーネントの値を変更し、シミュレーションを再実行します。
このチュートリアルの最初に示した教科書の例を参考に、opamp_model_AC.scmの結果を比較してください。