Use Panopticon to Run an FMU Exported from Twin Activate

チュートリアルレベル:上級Export an FMU from Twin Activate and execute it only using Panopticon.

重要: Available only with Twin Activate commercial edition.

Prerequesites for This Tutorial

The following software is required for this tutorial:

  • Altair Twin Activate
  • Altair Panopticon

Files for This Tutorial

Watertank prepared.scm, FMU.fmu, FMUinPano.exz, PythonScript.py

A finished version of the model you build in this tutorial along with any files required to complete the tutorials are available from the Demo Browser: Tutorial Models > Integration and Collaboration > Use Panopticon to run an FMU exported from Twin Activate or at this location: <installation_directory>/Tutorial Models/Integration and Collaboration/Use Panopticon to run an FMU exported from Twin Activate.

Overview

One of Twin Activate's capabilities is to export Functional Mock-Up Units (FMU), which are a container and an interface to exchange dynamic simulation models between different tools.

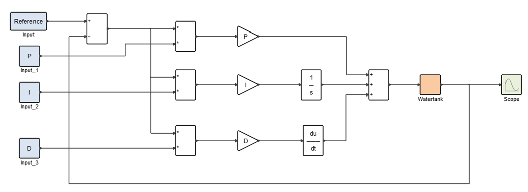
In this case, a dynamic model of a controlled water tank, where a reference level signal is set, uses a PID controller to make the plant reach the right water level:

This entire model is exported as an FMU with input and output ports. In Panopticon, a dashboard is created to parametrize the FMU parameters P, I, and D and to run the dynamical model and get the outputs.

Among others, Panopticon supports Python codes. With Pyro, you can access local files through these codes, in this case the FMU, and utilize the fmpy library to run the FMU without Twin Activate.

Also, Panopticon provides a broad range of high-density information visualizations designed to foster intuitive comprehension of complex data. For more information, refer to https://altair.com/panopticon.

Export the FMU File from Twin Activate

In this tutorial, a standard Twin Activate demo is used from the Demo Browser, but the process should be the same across any other diagram.

  1. In Twin Activate, select Demo Browser > Tutorial Models > Learning the basics > Watertank.scm.
  2. Rearrange the system to have four inputs and one output to be exported as FMU further.
    • Remove mask from Controller.
    • Expand Controller super block.
    • Add, e.g., Constant blocks as inputs.
    Inputs:
    • Reference water level (Input)
    • P (Input_1)
    • I (Input_2)
    • D (Input_3)
    Output: Water tank level (Output)
  3. Create a super block.
  4. Select Export > Export from the menu ribbon.
    You can also right-click on the super block and select Code Generation and Export.
  5. Select FMU for Target, select an FMU file name, and click Generate.
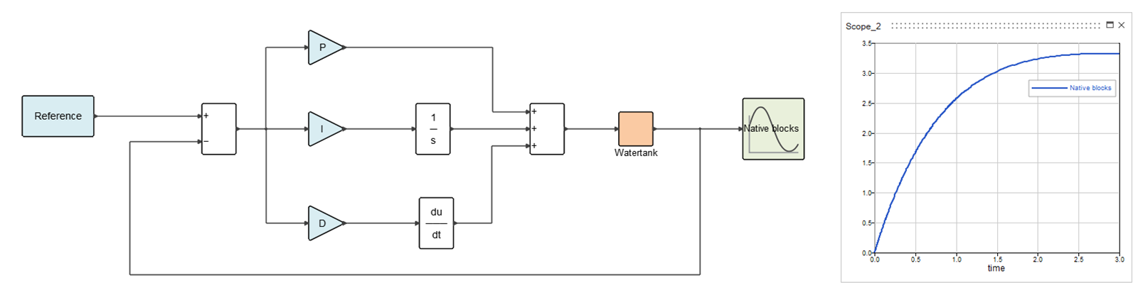
  6. To validate the new FMU, insert an FMU block from the Palette Browser under Activate > CoSimulation and check the results.

Panopticon Setup

After installing Panopticon, and accessing it on the web, you must run Pyro, which is located in the same installation directory as the start_Python_connectivity.bat file.

After this, the environment is ready to receive commands in Panopticon and access local files.

Panopticon Workbook

A new workbook must be created to set the environment to run the FMU without the need of Twin Activate.

  1. In the Panopticon main page, click New Workbook, enter a name, and click Create.
  2. After creating the workbook, select a Template.
  3. Open the Workbook Data Table Editor.
  4. Click the + icon to add a new data table.
  5. Click + Parameter to add five numeric parameters.

    Besides the four parametrized variables mentioned before (Reference water level, P, I, and D), there will be one more, the final simulation time st. The variables are set as Numeric, and they can be freely named.

  6. Select File/URL > Text.
  7. Change the Text File Source to Text.
    The following text is used to create a table using the parameters created in the data table:
    Input,Input_1,Input_2,Input_3,Finaltime
    {ref},{P},{I},{D},{st}
  8. After you insert the text, click Generate Columns to populate with the parameters.
  9. In Transform settings > Python, select Enable Python Transform and enter the HMAC key from the Pyro.
    The standard key is password.
  10. In Python Script, insert the code below. The code is also available in PythonScript.py.
    from fmpy import read_model_description, extract, dump
    from fmpy.fmi2 import FMU2Slave
    from fmpy.util import plot_result, download_test_file
    import numpy as np
    import pandas as pd
    import shutil
    
    def simulate_custom_input(Input, Input_1, Input_2, Input_3, Finaltime):
    
        # define the model name and simulation parameters
        fmu_filename = '<FMU_location>\\FMU.fmu'
        start_time = 0.0
        stop_time = Finaltime
        step_size = 1e-3
    
        # read the model description
        model_description = read_model_description(fmu_filename)
        dump(fmu_filename)
    	# collect the value references
        vrs = {}
        for variable in model_description.modelVariables:
            vrs[variable.name] = variable.valueReference
            print(variable.name,'=',variable.valueReference)
        vr_input   = vrs['Input']
        vr_input_1 = vrs['Input_1']
        vr_input_2 = vrs['Input_2']
        vr_input_3 = vrs['Input_3']
        vr_outputs = vrs['Output']
        print(vr_outputs)
        # extract the FMU
        unzipdir = extract(fmu_filename)
    
        fmu = FMU2Slave(guid=model_description.guid,
        unzipDirectory=unzipdir,
        modelIdentifier=model_description.coSimulation.modelIdentifier,
        instanceName='instance1')
        # initialize
        fmu.instantiate()
        fmu.setupExperiment(startTime=start_time)
        fmu.enterInitializationMode()
        fmu.exitInitializationMode()
    
        time = start_time
        
        rows = []  # list to record the results	
        
        # simulation loop
        while time < stop_time:
    
            # NOTE: the FMU.get*() and FMU.set*() functions take lists of
            # value references as arguments and return lists of values
            
            # set the input
            fmu.setReal([vr_input], [Input])
            fmu.setReal([vr_input_1],[Input_1])
            fmu.setReal([vr_input_2],[Input_2])
            fmu.setReal([vr_input_3],[Input_3])
            # perform one step
            fmu.doStep(currentCommunicationPoint=time, communicationStepSize=step_size)
    
            # get the values for 'inputs' and 'outputs'
            inputs,outputs= fmu.getReal([vr_input,vr_outputs])
            inputs_1,outputs=fmu.getReal([vr_input_1,vr_outputs])
            inputs_2,outputs=fmu.getReal([vr_input_2,vr_outputs])
            inputs_3,outputs=fmu.getReal([vr_input_3,vr_outputs])
            
            # # use the threshold to terminate the simulation
            # if outputs > threshold:
            #     print("Threshold reached at t = %g s" % time)
            #     break
            # append the results
            rows.append((time, inputs,inputs_1,inputs_2,inputs_3,outputs))
            print(time,inputs,inputs_1,inputs_2,inputs_3,outputs)
            # advance the time
            time += step_size
        fmu.terminate()
        fmu.freeInstance()
        
        # clean up
        shutil.rmtree(unzipdir, ignore_errors=True)
    
        #convert the results to a structured NumPy array
        ptime = [rows[0] for rows in rows]
        poutput = [rows[5] for rows in rows]
        result_df= pd.DataFrame({'time': ptime, 'output': poutput})
    
        return result_df
    
    t = pd.DataFrame(table)
    get_df = simulate_custom_input(*t.iloc[0])
    return get_df

    The function simulate_custom_input has five inputs that are the parameters discussed previously. These parameters are referenced in the code.

    The fmu_filename variable points to the FMU file with its location. It is good practice to use double backslashes between each of the folders.

    The variables are now ready to be referenced on the dashboard and the FMU is ready to be executed.

Run the FMU inside Panopticon

  1. Assign some values to the parameters in the Data Table editor and click Refresh Preview to see if the FMU works.
  2. Click Save in the upper-right to store all changes.

Design a Dashboard

  1. Return to the dashboard.
  2. To add an x-axis graph, click and drag a rectangle on the dashboard and select Visual > X-Axis Graph.
  3. Assign time to X and output to Y by dragging and dropping.
  4. Click Control > Slider to add sliders for each parameter and assign the parameters.
  5. Save the changes and click View to leave the edit mode. Change the parameters to run the FMU and see results in the graph. Each time a parameter is changed, the FMU is executed and the graph is updated.

    The final version of the Panopticon dashboard is available with the FMUinPano.exz bundle. To import it, right-click on My Workspace and select Import Bundle.

    Panopticon is a tool with several available options to create customized dashboards, and there are focused tutorials for that. This is an example showing how to start using both tools together.